CAD利用技術者試験1級【機械】実技対講座

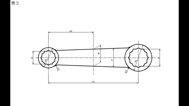
お試し参考動画【スパナ】 

  • 無料

公式ガイドブックにあります、スパナを作図してみました。 お試し用として無料で公開します。 是非参考にしてみてください!

平成21年度前期【問1】リンク機構 

  • 2,000 / レンタル ( 3 日 )

CAD利用技術者試験①級【機械】の実技をAUTOCAD2016LTにより、解説しています。 単純で分かりやすく、手数を少なく、ミスを減らすことを目標に作っています。 作図の仕方がわからない方、作図時間を短縮したい方などにおすすめです。 ぜひ普段の学習にお役立てください。

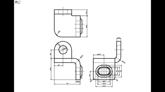
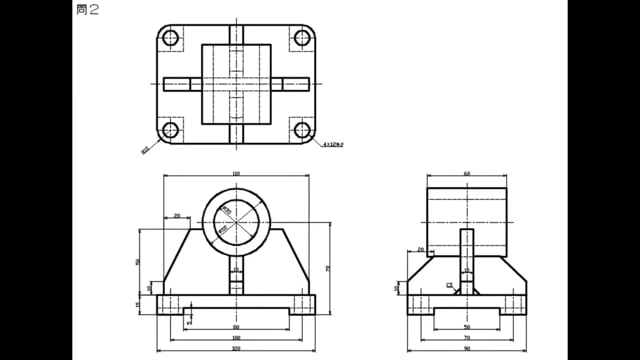
平成21年度前期【問2】三面図 

  • 2,000 / レンタル ( 3 日 )

CAD利用技術者試験①級【機械】の実技をAUTOCAD2016LTにより、解説しています。 単純で分かりやすく、手数を少なく、ミスを減らすことを目標に作っています。 作図の仕方がわからない方、作図時間を短縮したい方などにおすすめです。 ぜひ普段の学習にお役立てください。

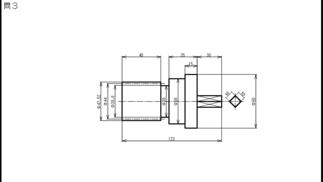
平成21年度前期【問3】トレース 

  • 2,000 / レンタル ( 3 日 )

CAD利用技術者試験①級【機械】の実技をAUTOCAD2016LTにより、解説しています。 単純で分かりやすく、手数を少なく、ミスを減らすことを目標に作っています。 作図の仕方がわからない方、作図時間を短縮したい方などにおすすめです。 ぜひ普段の学習にお役立てください。

平成21年度後期【問1】リンク機構 

  • 2,000 / レンタル ( 3 日 )

CAD利用技術者試験①級【機械】の実技をAUTOCAD2016LTにより、解説しています。 単純で分かりやすく、手数を少なく、ミスを減らすことを目標に作っています。 作図の仕方がわからない方、作図時間を短縮したい方などにおすすめです。 ぜひ普段の学習にお役立てください。

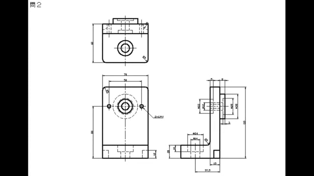
平成21年度後期【問2】三面図 

  • 2,000 / レンタル ( 3 日 )

CAD利用技術者試験①級【機械】の実技をAUTOCAD2016LTにより、解説しています。 単純で分かりやすく、手数を少なく、ミスを減らすことを目標に作っています。 作図の仕方がわからない方、作図時間を短縮したい方などにおすすめです。 ぜひ普段の学習にお役立てください。

平成21年度後期【問3】トレース 

  • 2,000 / レンタル ( 3 日 )

CAD利用技術者試験①級【機械】の実技をAUTOCAD2016LTにより、解説しています。 単純で分かりやすく、手数を少なく、ミスを減らすことを目標に作っています。 作図の仕方がわからない方、作図時間を短縮したい方などにおすすめです。 ぜひ普段の学習にお役立てください。

平成22年度前期【問1】リンク機構 

  • 2,000 / レンタル ( 3 日 )

CAD利用技術者試験①級【機械】の実技をAUTOCAD2016LTにより、解説しています。 単純で分かりやすく、手数を少なく、ミスを減らすことを目標に作っています。 作図の仕方がわからない方、作図時間を短縮したい方などにおすすめです。 ぜひ普段の学習にお役立てください。

平成22年度前期【問2】三面図 

  • 2,000 / レンタル ( 3 日 )

CAD利用技術者試験①級【機械】の実技をAUTOCAD2016LTにより、解説しています。 単純で分かりやすく、手数を少なく、ミスを減らすことを目標に作っています。 作図の仕方がわからない方、作図時間を短縮したい方などにおすすめです。 ぜひ普段の学習にお役立てください。

平成22年度前期【問3】トレース 

  • 2,000 / レンタル ( 3 日 )

CAD利用技術者試験①級【機械】の実技をAUTOCAD2016LTにより、解説しています。 単純で分かりやすく、手数を少なく、ミスを減らすことを目標に作っています。 作図の仕方がわからない方、作図時間を短縮したい方などにおすすめです。 ぜひ普段の学習にお役立てください。

平成22年度後期【問1】リンク機構 

  • 2,000 / レンタル ( 3 日 )

CAD利用技術者試験①級【機械】の実技をAUTOCAD2016LTにより、解説しています。 単純で分かりやすく、手数を少なく、ミスを減らすことを目標に作っています。 作図の仕方がわからない方、作図時間を短縮したい方などにおすすめです。 ぜひ普段の学習にお役立てください。

平成22年度後期【問2】三面図 

  • 2,000 / レンタル ( 3 日 )

CAD利用技術者試験①級【機械】の実技をAUTOCAD2016LTにより、解説しています。 単純で分かりやすく、手数を少なく、ミスを減らすことを目標に作っています。 作図の仕方がわからない方、作図時間を短縮したい方などにおすすめです。 ぜひ普段の学習にお役立てください。

平成22年度後期【問3】トレース 

  • 2,000 / レンタル ( 3 日 )

CAD利用技術者試験①級【機械】の実技をAUTOCAD2016LTにより、解説しています。 単純で分かりやすく、手数を少なく、ミスを減らすことを目標に作っています。 作図の仕方がわからない方、作図時間を短縮したい方などにおすすめです。 ぜひ普段の学習にお役立てください。

平成23年度前期【問1】リンク機構 

  • 2,000 / レンタル ( 3 日 )

CAD利用技術者試験①級【機械】の実技をAUTOCAD2016LTにより、解説しています。 単純で分かりやすく、手数を少なく、ミスを減らすことを目標に作っています。 作図の仕方がわからない方、作図時間を短縮したい方などにおすすめです。 ぜひ普段の学習にお役立てください。

平成23年度前期【問2】三面図 

  • 2,000 / レンタル ( 3 日 )

CAD利用技術者試験①級【機械】の実技をAUTOCAD2016LTにより、解説しています。 単純で分かりやすく、手数を少なく、ミスを減らすことを目標に作っています。 作図の仕方がわからない方、作図時間を短縮したい方などにおすすめです。 ぜひ普段の学習にお役立てください。

平成23年度前期【問3】トレース 

  • 2,000 / レンタル ( 3 日 )

CAD利用技術者試験①級【機械】の実技をAUTOCAD2016LTにより、解説しています。 単純で分かりやすく、手数を少なく、ミスを減らすことを目標に作っています。 作図の仕方がわからない方、作図時間を短縮したい方などにおすすめです。 ぜひ普段の学習にお役立てください。

平成23年度後期【問1】リンク機構 

  • 2,000 / レンタル ( 3 日 )

CAD利用技術者試験①級【機械】の実技をAUTOCAD2016LTにより、解説しています。 単純で分かりやすく、手数を少なく、ミスを減らすことを目標に作っています。 作図の仕方がわからない方、作図時間を短縮したい方などにおすすめです。 ぜひ普段の学習にお役立てください。

平成23年度後期【問2】三面図 

  • 2,000 / レンタル ( 3 日 )

CAD利用技術者試験①級【機械】の実技をAUTOCAD2016LTにより、解説しています。 単純で分かりやすく、手数を少なく、ミスを減らすことを目標に作っています。 作図の仕方がわからない方、作図時間を短縮したい方などにおすすめです。 ぜひ普段の学習にお役立てください。

平成23年度後期【問3】トレース 

  • 2,000 / レンタル ( 3 日 )

CAD利用技術者試験①級【機械】の実技をAUTOCAD2016LTにより、解説しています。 単純で分かりやすく、手数を少なく、ミスを減らすことを目標に作っています。 作図の仕方がわからない方、作図時間を短縮したい方などにおすすめです。 ぜひ普段の学習にお役立てください。

平成24年度前期【問1】リンク機構 

  • 2,000 / レンタル ( 3 日 )

CAD利用技術者試験①級【機械】の実技をAUTOCAD2016LTにより、解説しています。 単純で分かりやすく、手数を少なく、ミスを減らすことを目標に作っています。 作図の仕方がわからない方、作図時間を短縮したい方などにおすすめです。 ぜひ普段の学習にお役立てください。

平成24年度前期【問2】三面図 

  • 2,000 / レンタル ( 3 日 )

CAD利用技術者試験①級【機械】の実技をAUTOCAD2016LTにより、解説しています。 単純で分かりやすく、手数を少なく、ミスを減らすことを目標に作っています。 作図の仕方がわからない方、作図時間を短縮したい方などにおすすめです。 ぜひ普段の学習にお役立てください。

平成24年度前期【問3】トレース 

  • 2,000 / レンタル ( 3 日 )

CAD利用技術者試験①級【機械】の実技をAUTOCAD2016LTにより、解説しています。 単純で分かりやすく、手数を少なく、ミスを減らすことを目標に作っています。 作図の仕方がわからない方、作図時間を短縮したい方などにおすすめです。 ぜひ普段の学習にお役立てください。

平成24年度後期【問1】リンク機構 

  • 2,000 / レンタル ( 3 日 )

CAD利用技術者試験①級【機械】の実技をAUTOCAD2016LTにより、解説しています。 単純で分かりやすく、手数を少なく、ミスを減らすことを目標に作っています。 作図の仕方がわからない方、作図時間を短縮したい方などにおすすめです。 ぜひ普段の学習にお役立てください。

平成24年度後期【問2】三面図 

  • 2,000 / レンタル ( 3 日 )

CAD利用技術者試験①級【機械】の実技をAUTOCAD2016LTにより、解説しています。 単純で分かりやすく、手数を少なく、ミスを減らすことを目標に作っています。 作図の仕方がわからない方、作図時間を短縮したい方などにおすすめです。 ぜひ普段の学習にお役立てください。

平成24年度後期【問3】トレース 

  • 2,000 / レンタル ( 3 日 )

CAD利用技術者試験①級【機械】の実技をAUTOCAD2016LTにより、解説しています。 単純で分かりやすく、手数を少なく、ミスを減らすことを目標に作っています。 作図の仕方がわからない方、作図時間を短縮したい方などにおすすめです。 ぜひ普段の学習にお役立てください。

チップを送る

動画管理者に支援してみませんか

  • 100
  • 300
  • 500
  • 1,000

ショップ管理者にチップを送って応援しよう!

チップを送る
   お問合せやリクエストはこちら     close