CAD利用技術者試験1級【機械】実技対講座

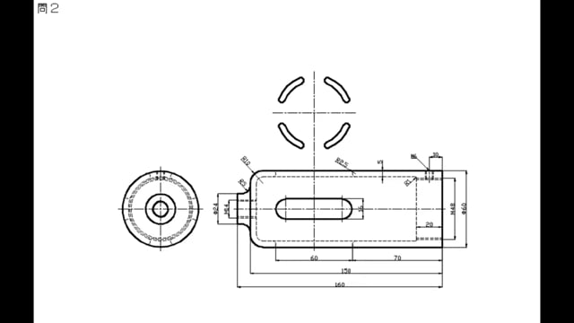
平成22年度後期【問2】三面図

ASTREX ACADEMY

CAD利用技術者試験①級【機械】の実技をAUTOCAD2016LTにより、解説しています。
単純で分かりやすく、手数を少なく、ミスを減らすことを目標に作っています。
作図の仕方がわからない方、作図時間を短縮したい方などにおすすめです。
ぜひ普段の学習にお役立てください。

レンタル( 3 日 )
¥ 2,000
購入方法の詳細はこちら
購入方法の詳細はこちら

チップを送る

動画管理者に支援してみませんか

  • 100
  • 300
  • 500
  • 1,000

ショップ管理者にチップを送って応援しよう!

チップを送る

メッセージを送る

動画管理者に支援してみませんか

  • 0
  • 100
  • 300
  • 500
  • 1,000
ショップからの返答がない場合もありますのでご了承ください。
管理者が悪質と判断したコメントを繰り返すユーザーに対しては、アクセスブロック等の処置を取らせて頂きます。
メッセージに返事がある場合はCOMMUNITYに公開されます。
   お問合せやリクエストはこちら     close